
Saia-Burgess 'Correct Feel' pushbutton switch - NOW OBSOLETE.
We are able to source an alternative to this item - please contact us for further details.
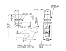
SPECIFICATION:
Not quite what you’re looking for?
With over 50 years in the business and nearly £600k of stock on our shelves we really know what we’re talking about when it comes to switches & sensors.
Contact us now and our experienced and friendly team will go the extra mile to find something suitable for you.
Authorised distributors for Saia-Burgess & Johnson Electric switches.
WE REALLY KNOW OUR SWITCHES & SENSORS!