
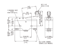
Saia-Burgess standard snap-action reverse roller lever microswitch - this item has been discontinued by the manufacturer but we do have limited stocks available.
If we have insufficient stock for your requirements please contact us for information on possible alternatives.